Kód ELFETEX
10.488.591
Informace o produktu
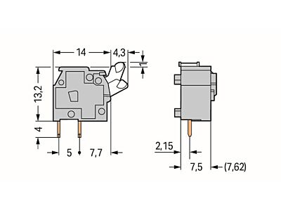
Svorka s možností řad. připojení na DPS; Tlačítko; 2,5 mm²; Rozteč 7,5/7,62 mm; 1pól.; Vhodné do prostředí Ex i; CAGE CLAMP®; Možnost můstkového propojení; 2,50 mm²; Modrá
- Značka WAGO
Svorky do plošných spojů
- Výška 14.2 mm
- Barva těla Modrý
- Jmenovité napětí 630 V
- Rozsah provozních teplot -60 - 105 °C
- Typ upevnění Pájecí
- Třída hořlavosti izolačního materiálu dle UL94 V0
- Počet pater 1
- Jmenovité výdržné napětí 6 kV
- Kategorie přepětí (hodnota) III
- Stupeň znečištění (hodnota) 2
- Typ připojení vodičů Pružinová svorka
- Typ připojení desky plošných spojů Pájecí připojení
- Délka kolíku 4 mm
- Materiál spojovacího povrchu Cín
- Rozteč konektorů 7.5 mm
- Druh bandáže Bez
- Materiál izolačního tělesa Termoplast
- Úhel desky / připojení vodičů 90° (vertikálně nahoru)
- Typ upevnění DPS Připojovací kontakt
- Jmenovitý proud In 24 A
- Počet elektrických přípojek 1
Ke stažení
Všechny obrázky































