Kód ELFETEX
11.108.089
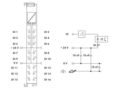
WAGO Vstup 750-1407 16kanálový binární DC 24 V 3 ms, šedá
Informace o produktu
16kanálový binární vstup; DC 24 V; 3 ms; Spínání k minusu
- Značka WAGO
Sběrnice decentr. periferie-digitální vstup/výstup moduly
- Šířka 12 mm
- Výška 100 mm
- Výška 69 mm
- Vstupní proud při signálu 1 -0.6 mA
- Počet digitálních vstupů 16
- Doba zpoždění při změně signálu 3 - 3 ms
- Typ napájecího napětí DC
- Druh vstupního napětí DC
- Podpora protokolu pro jiné sběrnicové systémy Ne
- Druh digitálního výstupu Ostatní, jiné
- Typ elektrického připojení Pružinová svorka
- Možnost montáže na DIN lištu Ano
- Kategorie nevýbušnosti - plyn ATEX Ex provedení plyn, Kat.3
- Kategorie nevýbušnosti - prach ATEX Ex provedení prach, Kat.3
- Možnost připojení polní sběrnice přes samostatný vazební člen Ano
- Systémové příslušenství Ano
- Stupeň krytí (IP) IP20
- Napájecí napětí při DC 24 - 24 V
- Povolené napětí na vstupu -3 - 24 V
- Vhodné pro bezpečnostní funkce Ne
- Podpora protokolu LON Ne
- S optickým rozhraním Ne
- Podpora protokolu pro TCP / IP Ne
- Podpora protokolu pro ASI Ne
- Podpora protokolu pro PROFIBUS Ne
- Podpora protokolu pro CAN Ne
- Podpora protokolu pro INTERBUS Ne
- Podpora protokolu pro EIB / KNX Ne
- Podpora protokolu pro MODBUS Ne
- Podpora protokolu pro Data-Highway Ne
- Podpora protokolu pro DeviceNet Ne
- Podpora protokolu pro Suconet Ne
- Ochrana proti zkratu, výstupy k dispozici Ne
- Přiřazené provozní prostředky (Ex ia) Ne
- Přiřazené provozní prostředky (Ex ib) Ne
- Podporuje protokol pro SERCOS Ne
- Podporuje protokol pro INTERBUS-Safety Ne
- Možnost přední montáže Ne
- Možnost montáže (do) racku Ne
- Možnost Montáž na zeď / přímá montáž Ne
- Standard pro bezdrátovou komunikaci Bluetooth Ne
- Standard pro bezdrátovou komunikaci WLAN 802.10 Ne
- IO-Link Master Ne
- Podporuje protokol pro AS-Interface Safety at Work Ne
- Podporuje protokol pro DeviceNet Safety Ne
- Podporuje protokol pro EtherNet / IP Ne
- Podporuje protokol pro Foundation Fieldbus Ne
- Podporuje protokol pro PROFINET CBA Ne
- Podporuje protokol pro PROFINET IO Ne
- Podporuje protokol pro PROFIsafe Ne
- Podporuje protokol pro SafetyBUS p Ne
- Nastavitelné digitální vstupy Ne
- Nastavitelné analogové výstupy Ne
- Přenosový standard GPRS Ne
- Přenosový standard GSM Ne
- Přenosový standard UMTS Ne
- Výkon.úroveň dle EN ISO13849-1 Bez
- SIL podle IEC 61508 Bez
- Podporuje Protokol pro EtherCAT Ne
- Certifikováno pro UL-nebezpečnou oblast třída I Ano
- Certifikováno pro UL-nebezpečnou oblast třída II Ne
- Certifikováno pro UL-nebezpečnou oblast třída III Ne
- Certifikováno pro UL-nebezpečnou oblast Divise 1 Ano
- Certifikováno pro UL-nebezpečnou oblast Divise 2 Ne
- Certifikováno pro UL-nebezpečnou oblast Skupina A ( Acetylen) Ano
- Certifikováno pro UL-nebezpečnou oblast Skupina B ( Vodík) Ano
- Certifikováno pro UL-nebezpečnou oblast Skupina C ( Etylén) Ano
- Certifikováno pro UL-nebezpečnou oblast Skupina D ( Propan) Ano
- Certifikováno pro UL-nebezpečnou oblast Skupina E ( Kovový prach) Ne
- Certifikováno pro UL-nebezpečnou oblast Skupina F ( Uhlíkatý prach) Ne
- Certifikováno pro UL-nebezpečnou oblast Skupina G ( Nevodivý prach) Ne
Ke stažení
Všechny obrázky


