2624-1302 PCB řad. svorka
Informace o produktu
- Značka WAGO
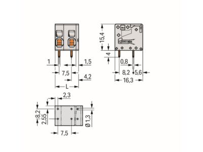
- Výška 15.4 mm
- Počet elektrických přípojek 2
- Počet pater 1
- Rozteč konektorů 7.5 mm
- Úhel desky / připojení vodičů 0° / 180° (horizontální)
- Jmenovitý proud In 41 A
- Jmenovité napětí 1000 V
- Jmenovité výdržné napětí 6 kV
- Kategorie přepětí (hodnota) III
- Stupeň znečištění (hodnota) 2
- Typ připojení vodičů Pružinová svorka
- Typ připojení desky plošných spojů Pájecí připojení
- Materiál spojovacího povrchu Cín
- Délka kolíku 4 mm
- Materiál izolačního tělesa Termoplast
- Barva těla Šedá
- Třída hořlavosti izolačního materiálu dle UL94 V0
- Rozsah provozních teplot -60 - 105 °C
- Typ upevnění DPS Připojovací kontakt
- Typ upevnění Pájecí
- Druh bandáže Bez
Ke stažení
Všechny obrázky






















