Kód ELFETEX
10.743.886
2624-1104 PCB řad. svorka
Informace o produktu
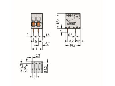
Svorka na desky plošných spojů; 4 mm²; Rozteč 5 mm; 4pól.; Push-in CAGE CLAMP®; 4,00 mm²; Šedá
- Značka WAGO
Svorky do plošných spojů
- Výška 15.4 mm
- Počet elektrických přípojek 4
- Počet pater 1
- Rozteč konektorů 5 mm
- Úhel desky / připojení vodičů 0° / 180° (horizontální)
- Jmenovitý proud In 41 A
- Jmenovité napětí 400 V
- Jmenovité výdržné napětí 4 kV
- Kategorie přepětí (hodnota) III
- Stupeň znečištění (hodnota) 2
- Typ připojení vodičů Pružinová svorka
- Typ připojení desky plošných spojů Pájecí připojení
- Materiál spojovacího povrchu Cín
- Délka kolíku 4 mm
- Materiál izolačního tělesa Termoplast
- Barva těla Šedá
- Třída hořlavosti izolačního materiálu dle UL94 V0
- Rozsah provozních teplot -60 - 105 °C
- Typ upevnění DPS Připojovací kontakt
- Typ upevnění Pájecí
- Druh bandáže Bez
Ke stažení
Všechny obrázky






















