Kód ELFETEX
10.488.636
255-763/999-950 svorka. pájecí. v. -šed
Informace o produktu
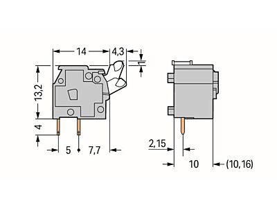
Svorka s možností řad. připojení na DPS; Tlačítko; 2,5 mm²; Rozteč 10/10,16 mm; 1pól.; Vhodné do prostředí Ex e; CAGE CLAMP®; Možnost můstkového propojení; 2,50 mm²; Světle šedá
- Značka WAGO
Svorky do plošných spojů
- Výška 14.2 mm
- Barva těla Ostatní, jiné
- Jmenovité napětí 550 V
- Rozsah provozních teplot -60 - 105 °C
- Typ upevnění Pájecí
- Třída hořlavosti izolačního materiálu dle UL94 V0
- Počet pater 1
- Typ připojení vodičů Pružinová svorka
- Typ připojení desky plošných spojů Pájecí připojení
- Délka kolíku 4 mm
- Materiál spojovacího povrchu Cín
- Rozteč konektorů 10 mm
- Druh bandáže Bez
- Materiál izolačního tělesa Termoplast
- Úhel desky / připojení vodičů 90° (vertikálně nahoru)
- Typ upevnění DPS Připojovací kontakt
- Jmenovitý proud In 16 A
- Počet elektrických přípojek 1
Všechny obrázky































