Kód ELFETEX
11.109.079
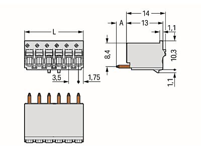
WAGO Konektor 2091-1157 1vodičový (zásuvka) THT, přímý Tlačítko Push-in CAGE CLAMP®, šedá
Informace o produktu
1vodičový konektor (zásuvka) THT, přímý; Tlačítko; Push-in CAGE CLAMP®; 1,5 mm²; Rozteč 3,5 mm; 7pól.; Pájecí kontakt Ø 1 mm; Manipulační destička; 1,50 mm²; Světle šedá
- Značka WAGO
Konektory plošných spojů
- Typ připojení Flexibilní konektor plošných spojů
- Provedení konektoru Volný konektor
- Typ kontaktů Pin
- Počet pólů 7
- Počet řad zásuvných konektorů 1
- Rozteč kontaktů 3.5 mm
- Rozteč konektorů 3.5 mm
- Úhel PCB / Kontakt 90° (vertikálně nahoru)
- Jmenovitý proud In 10 A
- Jmenovité napětí 160 V
- Jmenovité výdržné napětí 2.5 kV
- Kategorie přepětí (hodnota) III
- Stupeň znečištění (hodnota) 2
- Materiál povrchu kontaktu Cín
- Typ elektrického připojení Pájecí připojení
- Průměr kolíků, pinů 1 mm
- Délka kolíku 3.6 mm
- Vhodné pro tloušťky desek plošných spojů 2 mm
- Materiál izolačního tělesa Termoplast
- Barva těla Ostatní, jiné
- Třída hořlavosti izolačního materiálu dle UL94 V0
- Rozsah provozních teplot -60 - 100 °C
- Typ upevnění DPS Připojovací kontakt
- Typ upevnění Pájecí
- Druh bandáže Bez
Ke stažení
Všechny obrázky













