Kód ELFETEX
11.351.713
OBO BETTERMANN Víko s rýhovaným plechem DF BKR50 FS AL
Informace o produktu
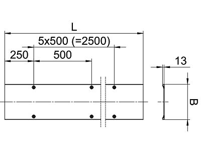
Víko kabelového žlabu pro systém pochozích kabelových žlabů BKRS. Základní pásově zinkované víko z materiálu o tloušťce 2 mm s dodatečně přinýtovaným protiskluzovým rýhovaným plechem o tloušťce 4 mm opatřeným vzorem Duet, který zajišťuje bezpečnou chůzi. Upevnění otočných západek v rozestupu 500 mm.
- Značka OBO BETTERMANN
Víka pro kabelový nosný systém
- Tloušťka materiálu 6 mm
- Délka 3000 mm
- Typ upevnění Spagnolet
- Materiál dutinky Hliník
- Vhodné pro kabelový žlab Ano
- Šířka krytu 500 mm
- Vhodné pro mřížkový žlab Ne
- Vhodné pro kabelový žebřík Ne
- Nerezová ocel, mořeno Ne
- Vhodné pro funkční integritu Ne
- Barva Hliník
Všechny obrázky












