Kód ELFETEX
10.469.744
AGRO Kabelová vývodka Progress EMC, mosazná, krátký závit M63
Informace o produktu
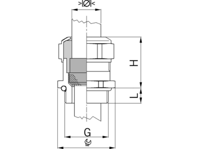
Kabelová vývodka Progress EMC, mosazná, krátký závit M63
- Značka AGRO
Kabelové vývodky
- Typ závitu Metrický
- Rozměr závitu metricky / PG 63
- Stoupání závitu 1.5 mm
- Délka závitu 10 mm
- Rozměr nástrčného klíče 70 mm
- Pro kabely o průměru od / do 40 - 46 mm
- Materiál Kov
- Kvalita materiálu Mosaz
- Povrchová úprava Nikl
- Bez halogenů Ano
- Stupeň krytí (IP) IP68
- Nárazuvzdorný Ano
- Provedení Rovný
- Odlehčení tahu Ano
- Typ těsnění Těsnicí kroužek
- Rozsah provozních teplot -40 - 100 °C
Ke stažení
Všechny obrázky











