Kód ELFETEX
10.488.726
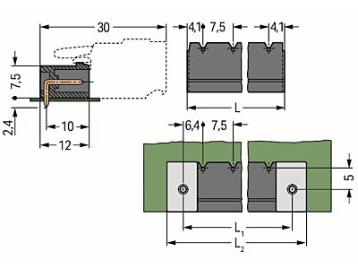
WAGO Konektor 231-838/001-000/105-604 s pájecími piny THR Pájecí kontakt 1,0 × 1,0 mm Úhlové provedení, černá
Informace o produktu
Konektor s pájecími piny THR; Pájecí kontakt 1,0 × 1,0 mm; Úhlové provedení; Rozteč 7,5 mm; 8pól.; Černá
- Značka WAGO
Konektory plošných spojů
- Typ připojení Flexibilní konektor plošných spojů
- Barva těla Černá
- Jmenovité napětí 630 V
- Počet pólů 8
- Typ kontaktů Pin
- Rozsah provozních teplot -60 - 100 °C
- Typ upevnění Pájecí
- Třída hořlavosti izolačního materiálu dle UL94 V0
- Jmenovité výdržné napětí 6 kV
- Typ elektrického připojení THR připojení
- Materiál povrchu kontaktu Cín
- Kategorie přepětí (hodnota) III
- Stupeň znečištění (hodnota) 2
- Délka kolíku 2.4 mm
- Rozteč konektorů 7.5 mm
- Počet řad zásuvných konektorů 1
- Druh bandáže Bez
- Vhodné pro tloušťky desek plošných spojů 1.5 mm
- Rozteč kontaktů 7.5 mm
- Provedení konektoru Volný konektor
- Materiál izolačního tělesa Termoplast
- Úhel PCB / Kontakt Ostatní, jiné
- Typ upevnění DPS Připojovací kontakt
- Jmenovitý proud In 12 A
Všechny obrázky



















