Kód ELFETEX
11.084.450
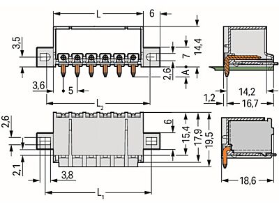
WAGO Konektor 2092-1425/005-000 s pájecími piny THT Pájecí kontakt O 1,4 mm Úhlové provedení, šedá
Informace o produktu
Konektor s pájecími piny THT; Pájecí kontakt Ø 1,4 mm; Úhlové provedení; Upevňovací příruba; Rozteč 5 mm; 5pól.; Světle šedá
- Značka WAGO
Konektory plošných spojů
- Typ připojení Flexibilní konektor plošných spojů
- Provedení konektoru Volný konektor
- Typ kontaktů Pin
- Počet pólů 5
- Počet řad zásuvných konektorů 1
- Rozteč kontaktů 5 mm
- Rozteč konektorů 5 mm
- Úhel PCB / Kontakt 0° / 180° (horizontální)
- Jmenovitý proud In 16 A
- Jmenovité napětí 320 V
- Jmenovité výdržné napětí 4 kV
- Kategorie přepětí (hodnota) III
- Stupeň znečištění (hodnota) 2
- Materiál povrchu kontaktu Cín
- Typ elektrického připojení Pájecí připojení
- Průměr kolíků, pinů 1.4 mm
- Délka kolíku 3.6 mm
- Vhodné pro tloušťky desek plošných spojů 2 mm
- Materiál izolačního tělesa Termoplast
- Barva těla Ostatní, jiné
- Třída hořlavosti izolačního materiálu dle UL94 V0
- Rozsah provozních teplot -60 - 100 °C
- Typ upevnění DPS Připojovací kontakt
- Typ upevnění Pájecí
- Druh bandáže Bez
Všechny obrázky











