Kód ELFETEX
11.111.261
Informace o produktu
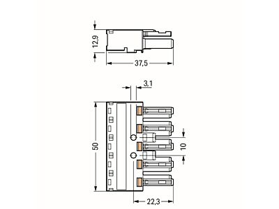
Zdířka; 5pól.; Kód. P; 4,00 mm²; Červená
- Značka WAGO
Konektory pro zásuvné domovní instalace
- Šířka 50 mm
- Provedení Zdířka
- Výška 12.9 mm
- Typ připojení Pružinová svorka
- Typ zámku Samostatný
- Jmenovitý proud 25 A
- Jmenovité napětí 400 V
- Počet pólů 5
- Délka 37.5 mm
- Materiál pouzdra Polyamid
- Povrchová úprava kontaktů Cínované
- Stupeň znečištění 3
- Mechanické kódování Ano
- Jmenovité výdržné napětí 6 kV
- Průchozí odpor 1 MOhm
- Materiál kontaktů CuSn
- Stupeň krytí (IP) IP20
- Počet připojení na pól 2
- Max.trvale teplotně odolný kontaktní díl 85 °C
- Max.trvale teplotně odolné odlehčení tahu 105 °C
- Bez halogenů Ne
- Odlehčení tahu Ne
- Požární zatížení 0.07306 kWh
Ke stažení
Všechny obrázky































