Kód ELFETEX
10.488.619
Informace o produktu
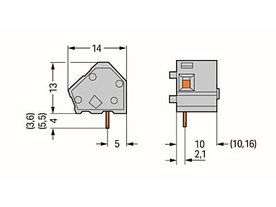
Svorka s možností řad. připojení na DPS; 2,5 mm²; Rozteč 10/10,16 mm; 1pól.; CAGE CLAMP®; Možnost můstkového propojení; Světle šedá
- Značka WAGO
Svorky do plošných spojů
- Výška 13 mm
- Barva těla Ostatní, jiné
- Jmenovité napětí 1000 V
- Rozsah provozních teplot -60 - 105 °C
- Typ upevnění Pájecí
- Třída hořlavosti izolačního materiálu dle UL94 V0
- Počet pater 1
- Jmenovité výdržné napětí 8 kV
- Kategorie přepětí (hodnota) III
- Stupeň znečištění (hodnota) 2
- Typ připojení vodičů Pružinová svorka
- Typ připojení desky plošných spojů Pájecí připojení
- Délka kolíku 4 mm
- Materiál spojovacího povrchu Cín
- Rozteč konektorů 10 mm
- Druh bandáže Bez
- Materiál izolačního tělesa Termoplast
- Úhel desky / připojení vodičů 45° / 135° (šikmo nahoru)
- Typ upevnění DPS Připojovací kontakt
- Jmenovitý proud In 24 A
- Počet elektrických přípojek 1
Ke stažení
Všechny obrázky































