Kód ELFETEX
11.387.324
Zemnící pletenec MBJ50-250-10, 556850
Informace o produktu
Zemnící pletenec MBJ50-250-10, 556850
- Značka ERICO
Zemnící pásky
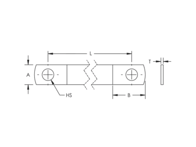
- Jmenovitý průřez vodiče 50 mm²
- Tvar vodiče / kabelu Plochý
- Materiál vodiče Měď, pocínovaná
- Třída vodiče Třída 5 = flexibilní
- Kabel šířka cca 28 mm
- Kabel výška cca 2.5 mm
Ke stažení
Všechny obrázky



























