Kód ELFETEX
11.355.152
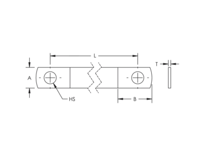
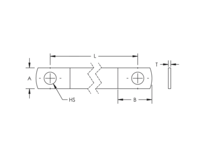
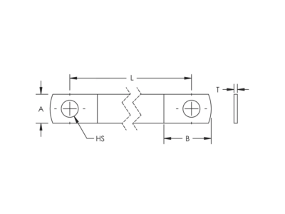
Zemnící pletenec MBJ50-200-6, 563350
Informace o produktu
Zemnící pletenec MBJ50-200-6, 563350
- Značka ERICO
Zemnící pásky
- Jmenovitý průřez vodiče 50 mm²
- Tvar vodiče / kabelu Plochý
- Materiál vodiče Měď, pocínovaná
- Třída vodiče Třída 5 = flexibilní
- Kabel šířka cca 28 mm
- Kabel výška cca 2.5 mm
Ke stažení
Všechny obrázky



























