Kód ELFETEX
11.056.672
Zemnici pletenec MBJ35-150-10, 556780
Informace o produktu
Zemnící pletenec MBJ35-150-10, 556780
- Značka ERICO
Zemnící pásky
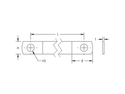
- Jmenovitý průřez vodiče 35 mm²
- Tvar vodiče / kabelu Plochý
- Materiál vodiče Měď, pocínovaná
- Třída vodiče Třída 5 = flexibilní
- Kabel šířka cca 22 mm
- Kabel výška cca 2.1 mm
- Vnější průměr cca 23 mm
Ke stažení
Všechny obrázky



























