Kód ELFETEX
11.112.368
Informace o produktu
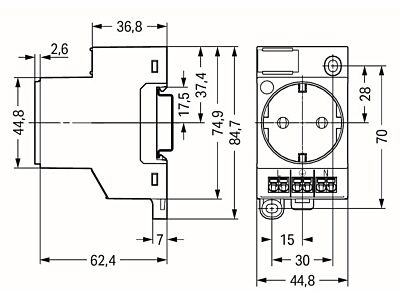
Zásuvka do skříňového rozvaděče; Pro montáž na DIN lištu a šroub. montáž; Pro zástrčky typu F, CEE 7/4 (SCHUKO®); Běžné v Německu, Nizozemsku, Rakousku; S indikací stavu pomocí LED diod; S dvojitou přípojkou Push-in CAGE CLAMP®; Světle šedá
- Značka WAGO
Zásuvky na DIN lištu
- Provedení Zásuvka CEE 7/3 (Typ F)
- Druh napětí AC
- Jmenovitý proud 16 A
- Jmenovité napětí 250 V
- Počet zásuvek 1
- Šířka vyjádřená počtem modulárních jednotek 3
- Stupeň krytí (IP) IP20
- S odklápěcím víkem Ne
- Se zvýšenou ochranou proti dotyku Ne
- S kontrolkou Ne
- Montážní hloubka 60 mm
Ke stažení
Všechny obrázky































