Kód ELFETEX
11.084.450
2734-1112/327-000/336-000
Informace o produktu
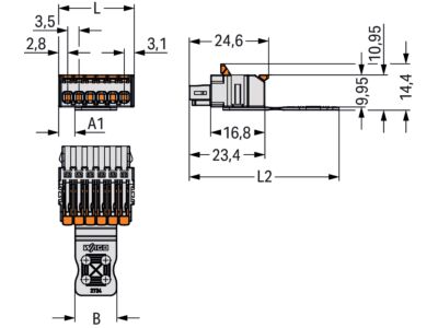
1vodičová pružinová svorkovnice; Páčka; Push-in CAGE CLAMP®; 1,5 mm²; Rozteč 3,5 mm; 12pól.; 100% ochrana proti chybnému zapojení; Podložka pro odlehčení tahu; 1,50 mm²; Světle šedá
- Značka WAGO
Kabelové konektory pro konektory plošných spojů
- Jmenovité napětí 160 V
- Počet pólů 12
- Rozsah provozních teplot -60 - 100 °C
- Třída hořlavosti izolačního materiálu dle UL94 V0
- Jmenovité výdržné napětí 2.5 kV
- Stupeň znečištění (hodnota) 2
- Připojitelné typ kabelu Kulatý kabel
- Rozteč konektorů 3.5 mm
- Počet řad zásuvných konektorů 1
- Rozteč kontaktů 3.5 mm
- Stupeň krytí (IP), montováno IP20
- S ochranným vodičem Ne
- Materiál izolačního tělesa Termoplast
- Úhel kontakt / vodičové připojení 180° (horizontální)
- Jmenovitý proud In 10 A
Všechny obrázky











