Kód ELFETEX
11.084.450
2616-1103/020-004
Informace o produktu
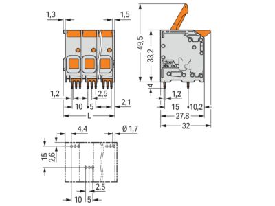
Svorka na desky plošných spojů; Páčka; 16 mm²; Rozteč 10 mm; 3pól.; Push-in CAGE CLAMP®; Černá
- Značka WAGO
Svorky do plošných spojů
- Výška 33.2 mm
- Barva těla Šedá
- Jmenovité napětí 1000 V
- Rozsah provozních teplot -60 - 105 °C
- Typ upevnění Pájecí
- Třída hořlavosti izolačního materiálu dle UL94 V0
- Počet pater 1
- Jmenovité výdržné napětí 8 kV
- Kategorie přepětí (hodnota) III
- Stupeň znečištění (hodnota) 2
- Typ připojení vodičů Pružinová svorka
- Typ připojení desky plošných spojů Pájecí připojení
- Délka kolíku 4 mm
- Materiál spojovacího povrchu Cín
- Rozteč konektorů 10 mm
- Druh bandáže Bez
- Materiál izolačního tělesa Termoplast
- Úhel desky / připojení vodičů 0° / 180° (horizontální)
- Typ upevnění DPS Připojovací kontakt
- Jmenovitý proud In 76 A
- Počet elektrických přípojek 3
Všechny obrázky











