Kód ELFETEX
11.084.450
Informace o produktu
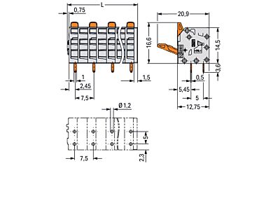
Svorka na desky plošných spojů; Páčka; 1,5 mm²; Rozteč 7,5 mm; 4pól.; Push-in CAGE CLAMP®; 1,50 mm²; Šedá
- Značka WAGO
Svorky do plošných spojů
- Rozsah provozních teplot -60 - 105 °C
- Třída hořlavosti izolačního materiálu dle UL94 V0
- Počet pater 1
- Typ připojení desky plošných spojů Pájecí připojení
- Délka kolíku 3.6 mm
- Typ upevnění DPS Připojovací kontakt
Všechny obrázky











