Kód ELFETEX
10.410.090
Informace o produktu
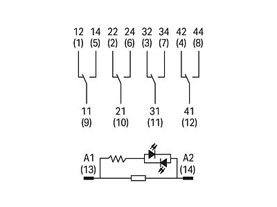
Základní relé; Jmenovité vstupní napětí AC 230 V; 4 přepínací kontakty; S ručním ovládáním
- Značka WAGO
Spínací relé
- Šířka 21 mm
- Výška 35.5 mm
- Hloubka 27.5 mm
- S odnímatelnými svorkami Ne
- Spínání pohonu Monostabilní
- S nuceným vedením kontaktů Ne
- Druh spínacího kontaktu Jednoduchý kontakt
- Kompletní přístroj s paticí Ne
- Typ elektrického připojení Zásuvková přípojka
- Materiál povrchu kontaktu Stříbro
- Stupeň krytí (IP) IP20
- S LED indikací Ano
- Materiál kontaktu Ostatní neměděné slitiny
- Počet přepínacích kontaktů 4
Všechny obrázky











