Kód ELFETEX
10.079.608
Vidlice BALS 26020 16A 5P/400V
Informace o produktu
CEE přívodka přístavná se změnou fáze
16A 5p (3P+N+PE) 400V (200/346 do 240/415V~) 6h IP44
frekvence: 50 a 60Hz
kód barvy: červená RAL 3000
kontakty: nosič kontaktů je vyroben z polyamidu, kontakty jsou vyrobeny z mosazi, povrch kontaktů je poniklovaný
maximální průřez vodiče: 2,5 mm2
materiál krytu: polyamid
způsob připojení: se šroubovými svorkami
barva: víčko sklopné šedé, límec červený, kryt šedý
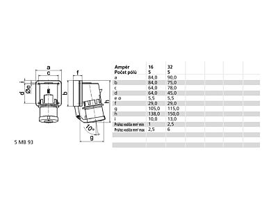
rozměry: výška 138 mm, šířka 84 mm, hloubka 105 mm
rozměr příruby: svisle 84 mm, vodorovně 84 mm
rozteč montážních otvorů: vodorovně 64 mm, svisle 64 mm
další technické vlastnosti:
s odklápěcím víčkem
- Značka BALS
Přístrojové zástrčky CEE
- číslo RAL 3000
- Konstrukční typ Přístrojová zástrčka přisazená
- Počet pólů 5
- Materiál dutinky Plast
- Proud IEC 16 A
- Technologie propojení Šroubovací svorka
- Směr propojení Úhlový
- Měnič fáze Ano
- Stupeň krytí (IP) IP44
- Pozice na hodinách 6 h
- Barevný kód, Identifikační barva Červená
- Napětí podle ČSN EN 60309-2 400 V (50 Hz 60) červená
- Vojenský model Ne
Všechny obrázky














