Kód ELFETEX
11.385.386
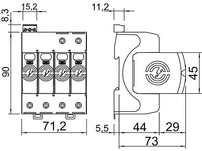
OBO BETTERMANN Svodič přepětí, typ 2, 4P, 40kA(8/20),DS, 550V typ V20-4+FS-550
Informace o produktu
Svodič přepětí typu 2
• K ochraně před přepětím a vyrovnání potenciálů dle ČSN 33 2000-4-443 (IEC 60364-4-44)
• Svodová schopnost až 40 kA (8/20) na 1 pól díky vysoce výkonným varistorům
• Modulární vyjímatelný svodič s dynamickým odpojovacím zařízením a optickou signalizací stavu
• Blokovací funkce proti vibracím a napěťové kódování
• Plast dle UL 94 V-0
• Varianta FS osazena bezpotenciálovým přepínacím kontaktem pro dálkovou signalizaci
Použití: Vyrovnání potenciálů v hlavních a podružných rozvaděčích
- Značka OBO BETTERMANN
Přepěťové svodiče pro systémy elektrického napájení
- Způsob montáže DIN lišta 35 mm
- Montážní velikost 4 TE
- Stupeň ochrany 2.4 kV
- Max. trvalé napětí AC 550 V
- Jmenovitý svodový rázový proud (8/20) 15 kA
- Jmenovité napětí AC 480 V
- Testovací třída typ 2 Ano
- Ochranná úroveň L-N 2.4 kV
- Signalizace na zařízení Optický
- Stupeň krytí (IP) IP20
- Max.průměr neohebného vodiče (jedno/více žilový) 35 mm²
- Forma sítě TN Ano
- Forma sítě TN-S Ano
- Forma sítě TN-C-S Ano
- Max.odvozený zkratový proud ( 8/20 ) 40 kA
- Integrované předjištění Ne
- Max.průměr ohebného vodiče (jemnožilového) 35 mm²
- S kontaktem pro dálkovou signalizaci Ano
Ke stažení
Všechny obrázky











