Používáte webový prohlížeč Internet Explorer 11, který již není podporován. Naše stránky se proto nemusejí správně načítat.
Your company account is blocked and you cannot place orders. If you have questions, please contact your company administrator.

TCB 18x4x1000 549200

Obrázek je pouze ilustrativní.

TCB 18x4x1000 549200

Značka
ERICO
Kód ELFETEX
10.175.019
EAN
3479775492001
Kód výrobce
ER-TCB 18X4X1000 549200

Informace o produktu

Ke stažení

Informace o produktu

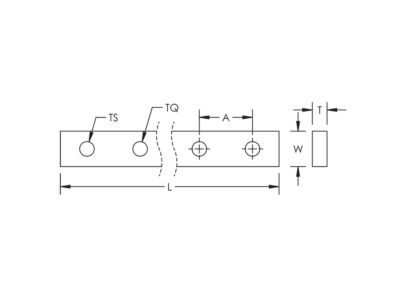
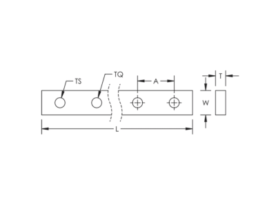
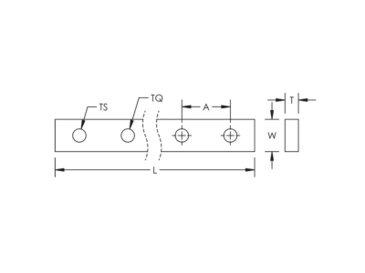
Sběrnice se závitem TCB18x4, 1 metr, 549200
  • Značka ERICO
Přípojnice
  • Šířka 18.0 mm
  • Provedení Plochý
  • Výška 4.0 mm
  • Délka 1000.0 mm
  • Povrchová úprava Bez povrchové úpravy

Ke stažení

Technické dokumenty

Všechny obrázky

Podobné produkty