Kód ELFETEX
                                    10.720.133                                
                                            Pletenec MBJ 50-200-10 556840 zemnící
Informace o produktu
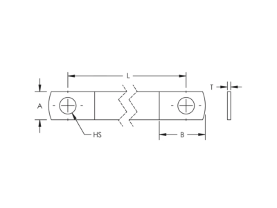
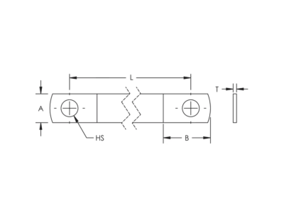
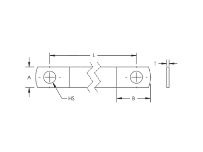
Zemnící pletenec MBJ50-200-10, 556840
- Značka ERICO
                    Zemnící pásky                
                - Jmenovitý průřez vodiče 50 mm²
- Tvar vodiče / kabelu Plochý
- Materiál vodiče Měď, pocínovaná
- Třída vodiče Třída 5 = flexibilní
- Kabel šířka cca 28 mm
- Kabel výška cca 2.5 mm
- Vnější průměr cca 28 mm
Ke stažení
Všechny obrázky
 
                 
                 
                
                                


























