Kód ELFETEX
                                    10.163.826                                
                                            Spojka MBJ 50-150-10 556830
Informace o produktu
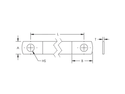
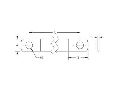
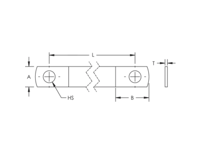
Zemnící pletenec MBJ50-150-10, 556830
- Značka ERICO
                    Zemnící pásky                
                - Jmenovitý průřez vodiče 50 mm²
- Tvar vodiče / kabelu Plochý
- Materiál vodiče Měď, pocínovaná
- Třída vodiče Třída 5 = flexibilní
- Kabel šířka cca 28 mm
- Kabel výška cca 2.5 mm
- Vnější průměr cca 28 mm
Ke stažení
Všechny obrázky
 
                 
                 
                
                                


























