Kód ELFETEX
10.068.495
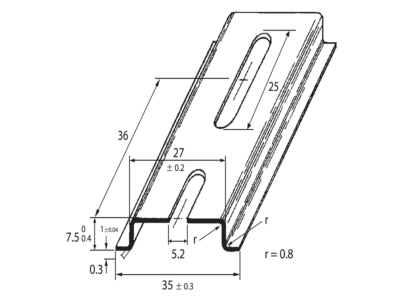
SCHMACHTL Lišta DIN 35x7,5 F5 perforovaná šířka otvoru 5,2mm pozink pasivovaná 1000mm
Informace o produktu
*DIN-lišta 35x7,5 - děrovaná, šířka otvoru 5,2mm, pozinkovaná, pasivovaná
- Značka SCHMACHTL
- DIN lišta 35/7, 5 mm
- 7.5 mm
- 1 mm
- 1000 mm
- Štěrbina
- Ocel
- 36 mm
- Pozinkování galvanické












