Kód ELFETEX
10.068.495
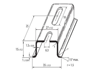
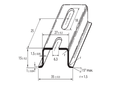
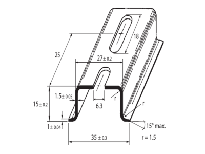
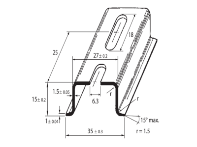
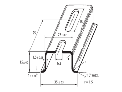
SCHMACHTL Lišta DIN 35x15 perforovaná šířka otvoru 6,3mm pozink pasivovaná 2000mm
Informace o produktu
DIN-lišta 35x15 - děrovaná, šířka otvoru 6,3mm, pasivovaná (OMEGA 3AF)
- Značka SCHMACHTL
Montážní lišty
- Provedení DIN lišta 35/15 mm
- Výška 15 mm
- Tloušťka materiálu 1 mm
- Délka 2000 mm
- Otvor tvaru Štěrbina
- Materiál dutinky Ocel
- Vzdálenost otvoru uprostřed 25 mm
- Provedení povrchu Pozinkování galvanické
Ke stažení
Všechny obrázky

