Kód ELFETEX
10.068.495
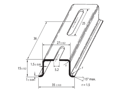
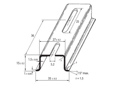
SCHMACHTL Lišta DIN 35x15 3AFD perforovaná 5,2mm pozink pasivovaná 2000mm
Informace o produktu
DIN-lišta 35x15 - děrovaná, šířka otvoru 5,2mm, pasivovaná (OMEGA 3AFD)
- Značka SCHMACHTL
Montážní lišty
- Provedení DIN lišta 35/15 mm
- Výška 15 mm
- Tloušťka materiálu 1 mm
- Délka 2000 mm
- Otvor tvaru Štěrbina
- Materiál dutinky Ocel
- Vzdálenost otvoru uprostřed 36 mm
- Provedení povrchu Pozinkování galvanické












