Kód ELFETEX
10.600.693
SC 3.81/03/90F 3.2SN BK BX CO
Informace o produktu
Zásuvné připojení DPS s inovativní technologií připojení pro bezpečné a intuitivní ovládání
- Značka WEIDMÜLLER
Konektory plošných spojů
- Typ připojení Flexibilní konektor plošných spojů
- Barva těla Černá
- Jmenovité napětí 160 V
- Počet pólů 3
- Typ kontaktů Pin
- Rozsah provozních teplot -50 - 120 °C
- Typ upevnění Pájecí
- Třída hořlavosti izolačního materiálu dle UL94 V0
- Jmenovité výdržné napětí 2.5 kV
- Typ elektrického připojení THR připojení
- Materiál povrchu kontaktu Cín
- Kategorie přepětí (hodnota) II
- Stupeň znečištění (hodnota) 2
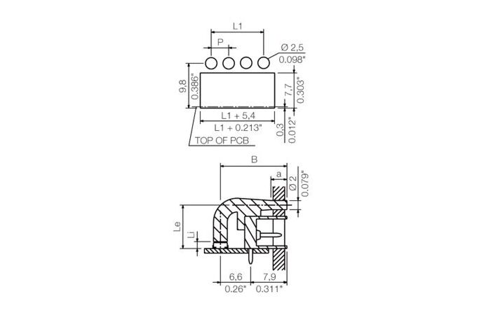
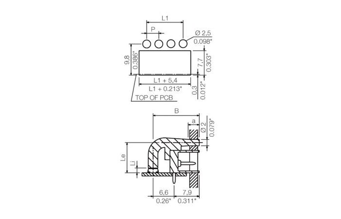
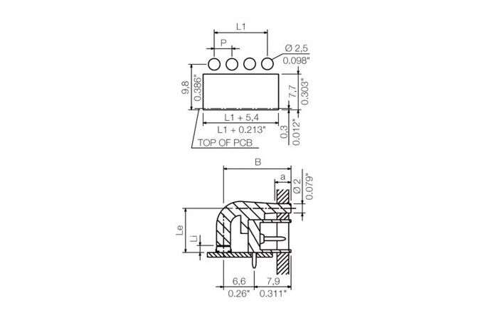
- Délka kolíku 3.2 mm
- Rozteč konektorů 3.81 mm
- Počet řad zásuvných konektorů 1
- Druh bandáže Ostatní, jiné
- Rozteč kontaktů 3.81 mm
- Provedení konektoru Pevné připojení
- Materiál izolačního tělesa Polyamid
- Úhel PCB / Kontakt 0° / 180° (horizontální)
- Typ upevnění DPS Ostatní, jiné
- Jmenovitý proud In 17.5 A















