Kód ELFETEX
10.650.980
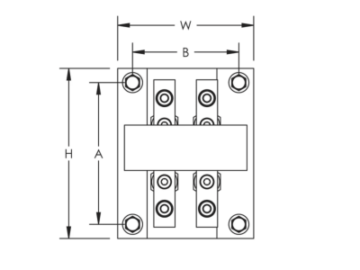
Rozpojitelný systém PEN-D 75, 568800
Informace o produktu
Rozpojitelný systém PEN-D 75, 568800
- Značka ERICO
Moduly rozváděče přípojnice
- Výška 120 mm
- Šířka 96 mm
- Výška 68.2 mm
- S krytem Ano
- Počet pólů 1
- Tloušťka přípojnic 5 mm
- Max. jmenovitý proud 125 A
- Délka sběrnic Ve středu centrálně
Ke stažení
Všechny obrázky

