Kód ELFETEX
10.490.628
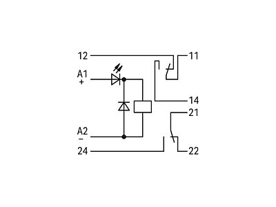
Relé WAGO 286-312/004-000
Informace o produktu
Reléový modul; Jmenovité vstupní napětí: 24 V DC; 2 přepínací kontakty; Mezní trvalý proud: 5 A; Drážní aplikace; Indikace stavu červená; Konstrukční šířka 20 mm; Šedá
- Značka WAGO
Spínací relé
- Jmenovitý proud 5 A
- Šířka 20 mm
- Výška 82.5 mm
- Výška 50 mm
- Pohon, polarita Polarizovaný
- Spínání pohonu Monostabilní
- Druh spínacího kontaktu Jednoduchý kontakt
- Typ elektrického připojení Zásuvková přípojka
- Jmenovité napětí Us při DC 24 - 24 V
- Stupeň krytí (IP) IP20
- S LED indikací Ano
- Typ napětí pro ovládání DC
- Počet přepínacích kontaktů 2
- S odnímatelnými svorkami Ne
- S nuceným vedením kontaktů Ne
- Kompletní přístroj s paticí Ne
Všechny obrázky


