Kód ELFETEX
10.080.980
Přívodka BALS 245 16A 3P/230V
Informace o produktu
CEE přívodka nástěnná
16A 3p (2P+PE) 230V (200 do 250V~) 6h IP44
frekvence: 50 a 60Hz
kód barvy: modrá RAL 5015
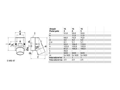
rozměr krytu: výška 87 mm, šířka 64 mm
kontakty: nosič kontaktů je vyroben z polyamidu, kontakty jsou vyrobeny z mosazi
maximální průřez vodiče: 2,5 mm2
materiál krytu: polyamid
systém připojení: se šroubovými svorkami
přívod kabelu: vrchní vstup M20
barva: horní část pouzdra modrá, spodní část pouzdra šedá
rozměry: výška 122 mm, šířka 64 mm, hloubka 93 mm
další technické vlastnosti:
vstup pro kabel 1x nahoře otevřený, 1x dole uzavřený, 1x vzadu uzavřený
- Značka BALS
Přístrojové zástrčky CEE
- číslo RAL 5015
- Konstrukční typ Ostatní, jiné
- Počet pólů 3
- Materiál dutinky Plast
- Proud IEC 16 A
- Technologie propojení Šroubovací svorka
- Směr propojení Úhlový
- Stupeň krytí (IP) IP44
- Pozice na hodinách 6 h
- Barevný kód, Identifikační barva Modrý
- Napětí podle ČSN EN 60309-2 230 V (50 Hz 60) modrá
- Měnič fáze Ne
- Vojenský model Ne
Všechny obrázky
















