Kód ELFETEX
10.080.031
Přívodka BALS 24413 32A 5P/400V
Informace o produktu
CEE přívodka nástěnná, Quick-Connect
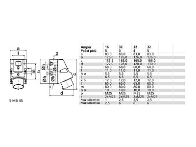
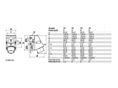
32A 5p (3P+N+PE) 400V (200/346 do 240/415V~) 6h IP44
frekvence: 50 a 60Hz
kód barvy: červená RAL 3000
rozměr krytu: výška 126 mm, šířka 83 mm
kontakty: nosič kontaktů je vyroben z materiálu odolného vůči vysokým teplotám, kontakty jsou vyrobeny z mosazi, povrch kontaktů je poniklovaný
maximální průřez vodiče: 6,0 mm2
materiál krytu: polyamid
systém připojení: bezšroubové pružinové klecové svorky
přívod kabelu: M25
barva: límec červený, spodní část pouzdra šedá, horní část pouzdra šedá
rozměry: výška 166 mm, šířka 83 mm, hloubka 130 mm
další technické vlastnosti:
vstup pro kabel 1x nahoře otevřený, 2x dole uzavřený, spodní část pouzdra je možno otočit o 180°, v základně pouzdra 4 instalační otvory (vylamovací)
bezšroubové připojení vodičů QUICK-CONNECT je ověřený, trvanlivý, bezpečný a zcela bezúdržbový systém odolný proti nárazům, vibracím a výkyvům teplot. QUICK-CONNECT s optimálně nastaveným přítlakem svorky na připojovaný vodič zcela eliminuje nedostatky šroubových spojení (možnost přetažení, nebo nedotažení šroubků, slaněné vodiče není třeba ukončovat dutinkami)
barevné označení vstupů, pro správné zapojení jednotlivých vodičů (dodržení sledu fází u třífázové elektrické soustavy)
- Značka BALS
Přístrojové zástrčky CEE
- číslo RAL 3000
- Konstrukční typ Ostatní, jiné
- Počet pólů 5
- Materiál Plast
- Proud IEC 32 A
- Technologie propojení Bezšroubová svorka bezzávitová
- Směr propojení Úhlový
- Stupeň krytí (IP) IP44
- Pozice na hodinách 6 h
- Barevný kód, Identifikační barva Červená
- Napětí podle ČSN EN 60309-2 400 V (50 Hz 60) červená
- Měnič fáze Ne
- Vojenský model Ne
Všechny obrázky











