Kód ELFETEX
                                    11.056.672                                
                                            Pletenec MBJ 6-200-6 563410 zemnící
Informace o produktu
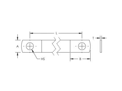
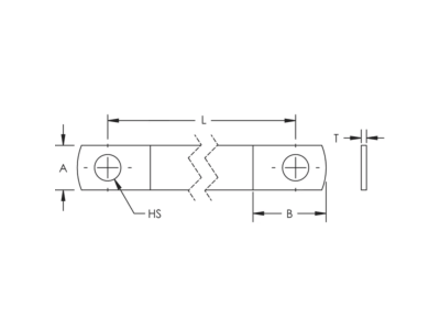
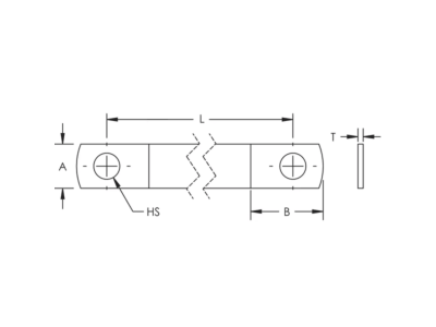
Zemnící pletenec MBJ6-200-6, 563410
- Značka ERICO
                    Zemnící pásky                
                - Jmenovitý průřez vodiče 6 mm²
- Tvar vodiče / kabelu Plochý
- Materiál vodiče Měď, pocínovaná
- Třída vodiče Třída 5 = flexibilní
- Kabel šířka cca 11 mm
- Kabel výška cca 1.1 mm
- Vnější průměr cca 12 mm
Ke stažení
Všechny obrázky
 
                 
                 
                
                                


























