Kód ELFETEX
11.319.768
Pletenec MBJ 35-200-10 556790 zemnící
Informace o produktu
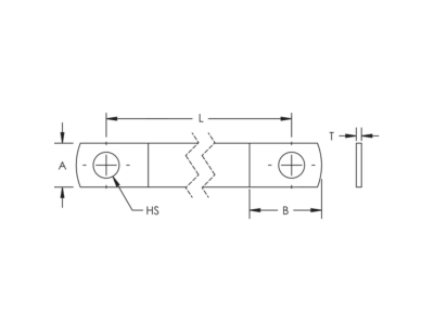
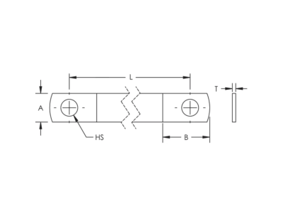
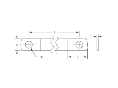
Zemnící pletenec MBJ35-200-10, 556790
- Značka ERICO
Zemnící pásky
- Jmenovitý průřez vodiče 35 mm²
- Tvar vodiče / kabelu Plochý
- Materiál vodiče Měď, pocínovaná
- Třída vodiče Třída 5 = flexibilní
- Kabel šířka cca 22 mm
- Kabel výška cca 2.1 mm
- Vnější průměr cca 23 mm
Ke stažení
Všechny obrázky



























