Kód ELFETEX
                                    10.410.071                                
                                            OMRON Produkt P2RV300CSIMB
                    Recyklační poplatek vč. DPH
                
            4,07 Kč        
    Informace o produktu
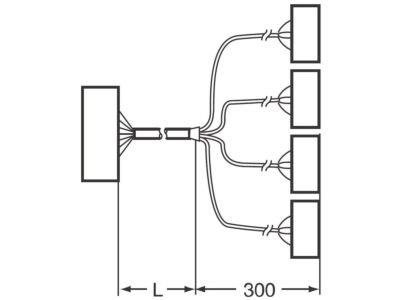
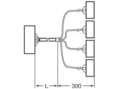
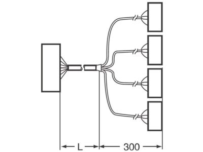
připojovací kabel pro P2RVC-8 s PLC Siemens 6ES7 322-1BL00-0AA0, 32 výstupních bodů, 3 m
- Značka OMRON
                    PLC kabely                
                - Funkce Ostatní zařízení PLC
- Délka 3 m
- Vhodné pro výstupní kartu PLC Ano
- Vhodné pro digitální signály Ano
- Návrh připojení k elektrické síti, strana pole Lišta vidlice
- Konstrukce elektrického konektoru, kryt Lišta vidlice
- Počet pólů 32
 
 
                 
                
                                










