Kód ELFETEX
10.075.160
OBO BETTERMANN Svislý oblouk 90, klesající RBV 810 F FT
Informace o produktu
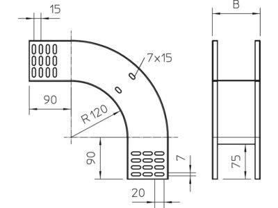
Svislý oblouk 90° v klesajícím provedení pro všechny typy kabelových žlabů s výškou bočnice 85 mm.
- Značka OBO BETTERMANN
Oblouky pro kabelové žlaby
- Provedení Bez konektoru
- Povrchová úprava Pozinkování žárové
- Tloušťka materiálu 1 mm
- Materiál Ocel
- Šířka kabelového žlabu 100 mm
- Výška kabelového žlabu 85 mm
- Změna směru Vertikálně klesající
- Boční perforace Ne
- Úhel (hodnota) 90°
- Montážní díry v podlaze Ne
- Perforace NATO Ne
- Nerezová ocel, mořeno Ne
- Vhodné pro funkční integritu Ne
- Barva Zinek
- Rozsah provozních teplot - - - °C
- Pro spojení se šrouby Ano
- Pro spojení bez šroubů Ne
Ke stažení
Všechny obrázky












