Kód ELFETEX
10.735.660
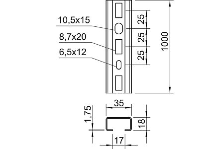
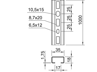
OBO BETTERMANN Profilová lišta CMS3518P1000FT
Informace o produktu
Střední profilová lišta C k ukládání kabelů, ve spojení s třmenovými příchytkami s patkou s hlavou T. Lze použít také jako konstrukci k zavěšení kabelových nosných systémů.
- Značka OBO BETTERMANN
Závěsné /profilové lišty
- Délka 1000 mm
- Šířka 35 mm
- Výška 18 mm
- Tloušťka materiálu 1.75 mm
- Tvar profilů C-profil
- Typ perforace Perforovaný hřbet
- Materiál Ocel
- Povrchová úprava Pozinkování žárové
- Odporový moment Wy 0.41 cm³
- Odporový moment Wz 1.03 cm³
- Oblast momentu setrvačnosti Iy 0.41 cm4
- Oblast momentu setrvačnosti Iz 1.81 cm4
- Hmotnost 1.03 kg
- S ozubením Ne
- Vhodné pro funkční integritu Ano
Ke stažení
Všechny obrázky











