Kód ELFETEX
11.203.288
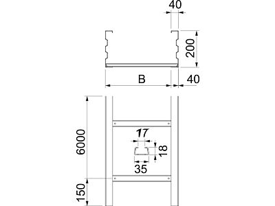
OBO BETTERMANN Kabelový žebřík pro velká rozpětí WKL 2040 FT
Informace o produktu
Kabelový žebřík pro velká rozpětí s výškou bočnice 200 mm.
- Značka OBO BETTERMANN
Kabelové lávky /kabelové žebříky s velkým rozpětím
- Typ příčky Profil neperforovaný
- Výška 200 mm
- Šířka 400 mm
- Délka 6000 mm
- Efektivní průřez 70400 mm²
- Materiál Ocel
- Povrchová úprava Pozinkování žárové
- Boční perforace Ano
- Hmotnost 13.98 kg/m
- Vhodné pro funkční integritu Ne
- Barva Zinek
- Stoupací trasa Ne
- Možná rozteč podpěr 6 - 10 m
- Bezpečné pracovní zatížení podle IEC 61537 při rozteči podpěr 6,0 m 3000 N/m
- Bezpečné pracovní zatížení podle IEC 61537 při rozteči podpěr 7,0 m 2500 N/m
- Bezpečné pracovní zatížení podle IEC 61537 při rozteči podpěr 8,0 m 2000 N/m
- Bezpečné pracovní zatížení podle IEC 61537 při rozteči podpěr 10,0 m 1000 N/m
- Bezpečné pracovní zatížení podle IEC 61537 při vzdálenosti podpěr 9,0 m 1400 N/m
- Rozsah provozních teplot - - - °C
- Upevnění příčky Svařované
Ke stažení
Všechny obrázky


















