Kód ELFETEX
11.318.323
OBO BETTERMANN Instalační průmyslový sloup ISS160160IP4 EL
Informace o produktu
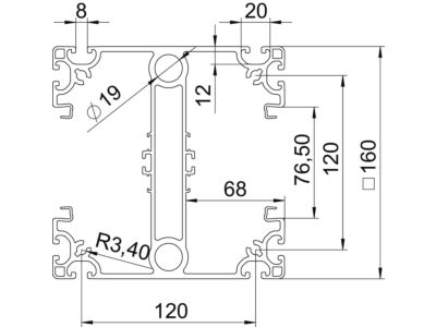
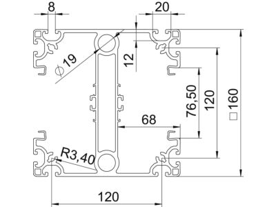
Instalační sloup ISS k vybavení montážních pracovišť ve výrobních závodech. Profil z eloxovaného hliníku v těžkém provedení disponuje na dvou stranách protilehlými systémovými otvory 76,5 mm k upevnění čelně zajišťovaných přístrojových krabic řady 71GD nebo montážních nosičů řady 71MT. Všechny čtyři strany profilu disponují montážní drážkou ve standardním rozměru se jmenovitou velikostí 8 k montáži nejrůznějších instalačních dílů pro doplňkové funkce (stavebnicový systém Item). Součástí dodávky jsou sloupový profil, potřebné vrchní díly pro systémové otvory o délce 2000 mm a PE sáček s 20 dodatečnými zaklapávacími sponami typu RKV3V, které umožňují používat dílčí délky vrchních dílů. Dva uzavřené kanály uvnitř profilu lze volitelně využít k vedení stlačeného vzduchu.
- Značka OBO BETTERMANN
Instalační sloupky
- Provedení Oboustranný
- Kabelová průchodka Nahoře / dole
- Typ upevnění Montážní příruba
- Počet využitelných horních dílů 2
- Šířka krytu 76.5 mm
- Materiál instalačního sloupku Hliník
- Tvar pilíře Čtvercový
- Povrch sloupku Anodizování / eloxování
- Kontinuální (Průchozí) profil Ano
- Materiál instalačního sloupku bez halogenů Ano
- Nastavitelný Ne
- Materiál krytu Hliník
- Přenosné, pohyblivé Ne
- Povrch krytu, vrchní části Anodizování / eloxování
- S hotovou kabeláží Ne
- Materiál krytu bez halogenů Ano
- Hloubka sloupů 160 mm
- Šířka stožáru 160 mm
- Určeno pro montáž na strop Ano
- Vhodné pro podlahovou montáž Ano
- Barva horní části, krytu Hliník
- Barva sloupku Hliník
Ke stažení
Všechny obrázky




















