Kód ELFETEX
                                    10.840.715                                
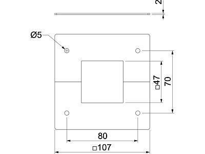
                                            OBO BETTERMANN Stropní deska pro teleskop, pro ISS130130, bílý hliník, Ocel, St typ DBT130130WA
Informace o produktu
Stropní připojovací deska pro čisté zakončení teleskopu u stropu. Vhodná pro instalační sloup Typ ISS130130.
- Značka OBO BETTERMANN
                    Příslušenství pro instalační sloupy                
                - Barva Hliník
- Bez halogenů Ano
- číslo RAL 9006
- Typ příslušenství rozeta
- Materiál dutinky Ocel
Ke stažení
Všechny obrázky
 
                 
                 
                 
                
                                










