Kód ELFETEX
                                    10.342.070                                
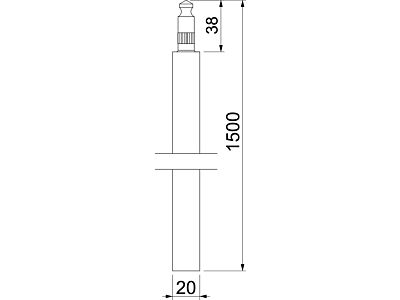
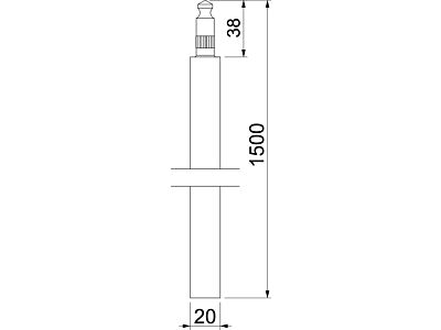
                                            OBO BETTERMANN Hloubkový zemnič, standardní, 1,0m, Nerez ocel, A4, bez povrch. úpravy, dodatečně ošetřeno typ 219 20 BP V4A
Informace o produktu
• Systém BP (Bundespost)
• Velmi dobré kontaktní vlastnosti díky vložce z měkkého kovu ve vývrtu
• S čepem a vývrtem pro možnost vzájemného napojování
• Odpovídá požadavkům podle EN 62305 (VDE 0185-305) a EN 62561-2
• Zkratový proud Ik (50 Hz), čas 1 s, teplota max.300 °C: 4.5 kA (219 20 BP V4A)
- Značka OBO BETTERMANN
                    Zemnící tyče                
                - Provedení Ostatní, jiné
- Typ připojení S čepem / otvorem
- Průměr 20 mm
- Délka 1500 mm
- Materiál dutinky Nerezová ocel (V4A)
- Křížový profil Ne
Ke stažení
Všechny obrázky
 
                 
                 
                 
                
                                










