Kód ELFETEX
10.735.660
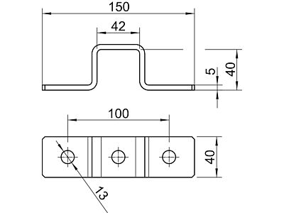
OBO BETTERMANN Třmen Omega, se třemi otvory pro křížové spojení profilových lišt 41×41, Nerez, materiál 1.4571 A4, 1.4571 bez povrch. úpravy, dodatečně ošetřeno typ GMS 3 O 4141 A4
Informace o produktu
Upevňovací příchytka se třemi otvory pro křížové spojení profilových lišt 41 × 41 mm.
- Značka OBO BETTERMANN
Spojky na závěsnou /profilovou lištu
- Vhodné pro C-profil
- Povrchová úprava Ostatní, jiné
- Kvalita materiálu Nerezová a kyselinovzdorná ocel
- Materiál dutinky Nerez
- S příslušenstvím šroubováku Ne
Ke stažení
Všechny obrázky











