Kód ELFETEX
10.094.643
Skříň FVE 53 7036.01 RAC-32 ASABOX
Informace o produktu
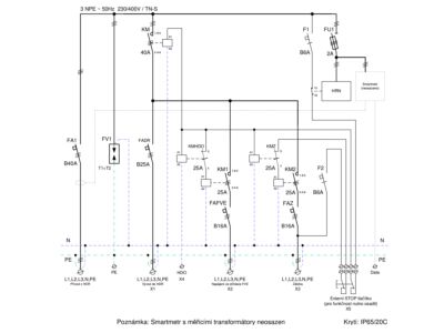
AC rozváděč je určen pro nástěnnou montáž s krytím IP65 a je navržen pro připojení a řízení třífázové fotovoltaické elektrárny, zejména se střídači typu GoodWe, Growatt, Solax a obdobnými zařízeními.
Rozváděč slouží k přepínání záložního napájecího okruhu a k řízení odpojení zdroje od distribuční soustavy na základě signálu HDO N 0 % od provozovatele distribuční soustavy. Přepínání mezi provozem ze sítě a záložním napájením ze střídače je realizováno prostřednictvím výkonových stykačů.
V případě výpadku distribuční soustavy dojde k oddělení objektu od DS a napájení je převedeno na výstup střídače. V záložním režimu je napájen celý objekt, proto je nutné kontrolovat zatížení při výpadku elektrické energie, aby nedošlo k přetížení, protože jeho funkce přepne na zálohu střídače celý dům.
Svodič přepětí: 1x AC T1+T2, (B+C), 4-pól., T1 Iimp=12,5kA, In=25kA, Imax=50kA, Up 1,6kV,
Jištění:
1x -40A/3P/B 10 kA - přívod z HDR (hlavní domovní rozvaděč),
1x -32A/3P/B 10 kA - vývod do HDR (hlavní domovní rozvaděč), 1x 20A/3P/B 10 kA - ON GRID (napájení ze střídače FVE), 1x 20A/3P/B 10 kA - BACKUP (záloha), 2x 6A/1P/B 10 kA - HRN, STOP (napájení),
Stykač: 1x 40A 230V - hlavní stykač, 2x 25A 230V - stykač napájení, zálohy; 2x 25A 230V - HDO, ovládání zálohy,
Relé: 1x hlídací napěťové 3F relé,
V souladu s normou: ČSN EN 61439-2 ed.3, příloha DD,
Stupeň ochrany krytem: IP65,
Jmenovitý proud: 32A,
Jmenovité napětí: 400V,
Teplotní rozsah použití: -25°C +40°C,
Provedení: Nástěnné,
Použití: Nástěnné,
Pouzdro typ: ASA NGS 48T,
Materiál pouzdra: Odolný plast,
Materiál okénka: Polykarbonát,
Počet okének: 1,
Počet modulů pro přístroje: 48 modulů,
Pouzdro mechanická odolnost [IK]: 07,
Vývodka: 2x MV-32 IP68, ; 2x MV-25 IP68, ; 4x MV-16 IP68,
Logistické údaje: EAN 8596621017913, Hmotnost 8,28 kg, Rozměry použitého pouzdra 318x664x147.
Rozváděč dále umožňuje připojení externího nouzového STOP tlačítka pro odpojení technologie.
Konstrukční řešení minimalizuje zásahy do stávajícího hlavního rozváděče objektu.
Rozváděč obsahuje:
• společné rozpadové místo
• kompletní jištění AC větví
• vyhrazený prostor pro instalaci měření (Smartmeter není součástí).
Smartmeter ani měřicí transformátory nejsou standardně osazeny. V případě dodání měřicí soustavy investorem je možné jejich odborné osazení do rozváděče.
Součástí rozváděče je PV symbol (štítek) dle požadavků značení fotovoltaických instalací.
Rozváděč je dimenzován pro objekt s hlavním jističem 3×32 A (umístění ve sloupku).
Přepnutí mezi provozními režimy je realizováno stykači, přičemž dochází ke krátké časové prodlevě při změně stavu. Nejedná se o bezvýpadkové řešení.
Rozváděč není určen k instalaci na přímém slunečním záření. Musí být umístěn v prostoru chráněném před dlouhodobým působením přímého slunce a nadměrným tepelným zatížením.
- Značka NG ENERGY
- Počet modulů 48
Malé rozvaděče
- Způsob montáže Povrchová montáž
- Barva Šedá
- Šířka 318 mm
- Výška 664 mm
- Hloubka 147 mm
- Počet řad 4
- DIN lišta Ano
- Materiál pouzdra Plast
- Šířka vyjádřená počtem modulárních jednotek 12
- Typ dveří Jednoduchý
- Stupeň krytí (IP) IP65
- Průhledné víko / dveře Ano
- Blok uzemňovacích svorek Ano
- Blok svorek neutrálního vodiče Ano
Všechny obrázky











