Kód ELFETEX
11.110.285
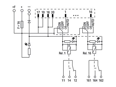
Modul WAGO 704-5044 20-pól propojovací
Informace o produktu
Propojovací modul pro systémovou kabeláž; Konektor dle DIN 41651; Konektor s pájecími piny; 20pól.; 16kanálový reléový výstup; 1 přepínací kontakt; Třípatrové svorky na desky plošných spojů; S ručním ovládáním; V montážní patici; 2,50 mm²
- Značka WAGO
Moduly rozhraní pro průmyslové konektory
- Způsob montáže DIN lišta 35 mm
- Šířka 121 mm
- Výška 105 mm
- Hloubka 105 mm
- Jmenovitý proud 5 A
- Počet pólů 48
- Návrh připojení k elektrické síti, strana pole Pružinová svorka
- Provedení elektrického připojení,stranově řízené Ostatní, jiné
- Jmenovité napětí 50 V
- Stupeň znečištění (hodnota) 2
Ke stažení
Všechny obrázky































