Kód ELFETEX
11.110.286
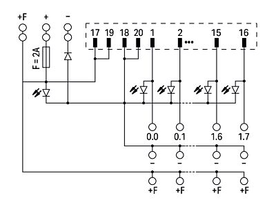
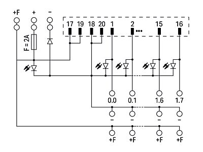
Modul WAGO 704-2054 20-pól propojovací
Informace o produktu
Propojovací modul pro systémovou kabeláž; Konektor dle DIN 41651; Konektor s pájecími piny; 20pól.; 16kanálový binární vstup nebo výstup; 3vodičové připojení; V montážní patici
- Značka WAGO
Moduly rozhraní pro průmyslové konektory
- Způsob montáže DIN lišta 35 mm
- Šířka 85 mm
- Výška 85 mm
- Hloubka 85 mm
- Jmenovitý proud 1 A
- Jmenovité napětí 50 V
- Počet pólů 48
- Návrh připojení k elektrické síti, strana pole Pružinová svorka
- Stupeň znečištění (hodnota) 2
- Provedení elektrického připojení,stranově řízené Ostatní, jiné
Ke stažení
Všechny obrázky































