Kód ELFETEX
10.185.731
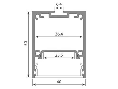
Závěsný hliníkový profil ZA 40x50mm včet
Informace o produktu
Závěsný hliníkový profil pro LED pásky, rozměry průřezu cca 40x50 mm. Součástí je mléčný difuzor, který lze do profilu nacvaknout. Tento profil je určen pro krytí a chlazení LED pásků do šíře 23 mm. Upevnění k podkladu lze provést pomocí montážních úchytů nebo lanek. K profilu lze zakoupit úchyty a koncovky.
- Značka MCLED
Příslušenství pro světelné hadice / pásy LED
- Typ příslušenství Profil











