Kód ELFETEX
10.185.731
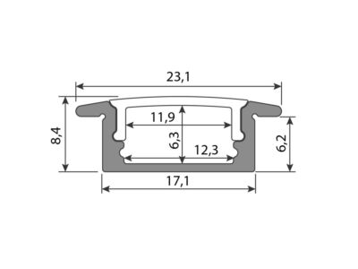
Vestavný hliníkový profil VO, 23x8 mm če
Informace o produktu
Vestavný hliníkový profil černý pro LED pásky, rozměry průřezu cca 23x8 mm. Součástí je mléčný difuzor, který lze do profilu nacvaknout. Tento profil je určen pro krytí a chlazení LED pásků do šíře 12 mm. Upevnění k podkladu lze provést pomocí vrutů, lepidel. K profilu lze zakoupit koncovky
- Značka MCLED
Příslušenství pro světelné hadice / pásy LED
- Typ příslušenství Profil
Ke stažení
Všechny obrázky











