Kód ELFETEX
11.522.268
Hliníkový profil pro obklady a dlažbu DE
Informace o produktu
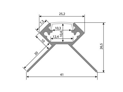
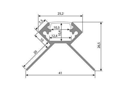
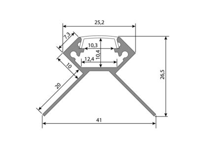
Sada hliníkového profilu pro obklady a dlažbu pro LED pásky, rozměry průřezu cca 41x28 mm. Součástí je mléčný difuzor, který lze do profilu nacvaknout. Tento profil je určen pro krytí a chlazení LED pásků do šíře 12 mm. Upevnění k podkladu lze provést pomocí vrutů a lepidel. Součástí sady je i koncovka s otvorem a koncovka bez otvoru . Délka profilu s difuzorem je 1 m.
- Značka MCLED
Příslušenství pro světelné hadice / pásy LED
- Typ příslušenství Profil
Ke stažení
Všechny obrázky




