Kód ELFETEX
11.630.110
Hliníkový profil pro obklady a dlažbu DE
Informace o produktu
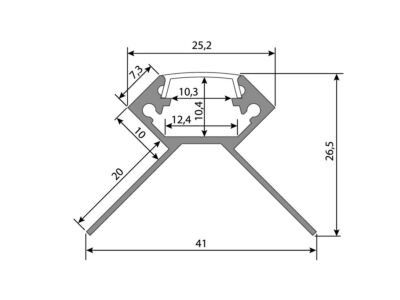
Hliníkový profil pro obklady a dlažbu pro LED pásky, rozměry průřezu cca 41x27mm. Součástí je mléčný difuzor, který lze do profilu nacvaknout. Tento profil je určen pro krytí a chlazení LED pásků do šíře až 12mm a výkonu max. 19,2W/m. Profil lze upevnit pomocí vrutů nebo lepidla. K profilu lze zakoupit také koncovky.
- Značka MCLED
Příslušenství pro světelné hadice / pásy LED
- Typ příslušenství Profil
Ke stažení
Všechny obrázky














